行星齿轮减速机
发表日期:
一、概述
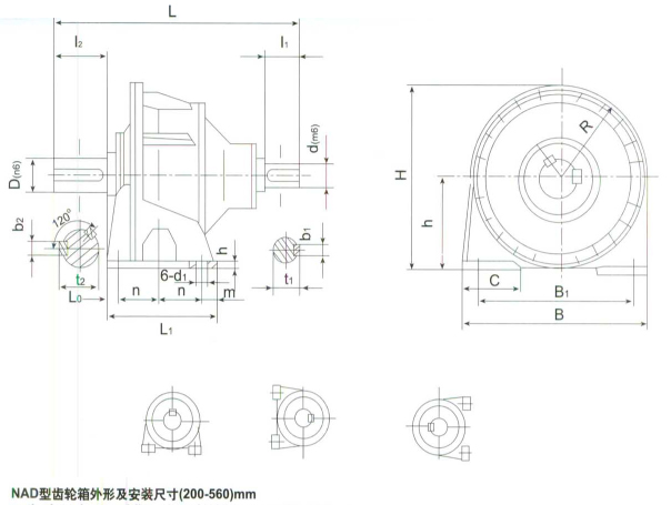
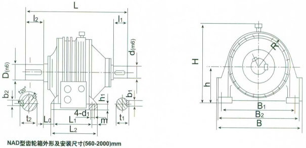
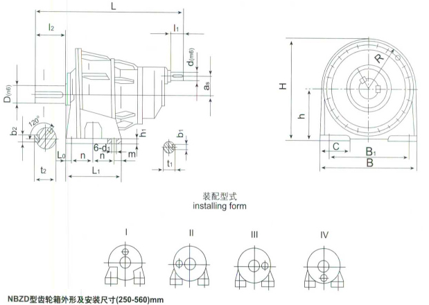
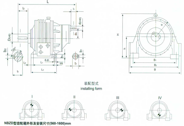
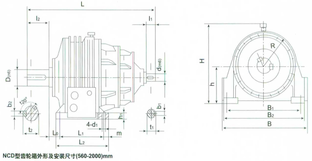
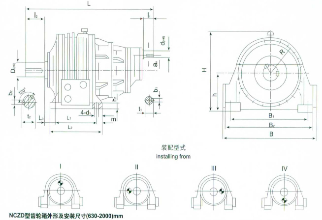
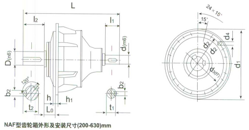
新式NGW行星减速器包括NAD、NAZD、NBD、NBZD、NCD、NCZD、NAF、NBF、NCF、NAZF、NBZF、NCZF十二千系列。
主要适用于冶金矿山、运输、建材、轻工、能源、交通等行业。
减速器的高速轴转速按其规格为1500-600r/min。
减速器齿轮传动的圆周速度,直齿轮不大于15m/s,斜齿鸵不大于20m/s。
减速器工作环境温度为-40℃-+45℃,低于0时℃,启动前润滑油应预热至10℃以上。
减速器可正反两向运转。
二、减速器的代号与标记方法
减速器代号包括,型号、级别、联结、型式、规格、公称传动比。装配型式,标准号。
其标记符号:Symbol include:type,stage no,linking,form,nominal transmission ratio,assembling form,standard no。

















,
- 下一篇:NGW-L型行星齿轮


